HOTLINE: 0938237356
Mô tả
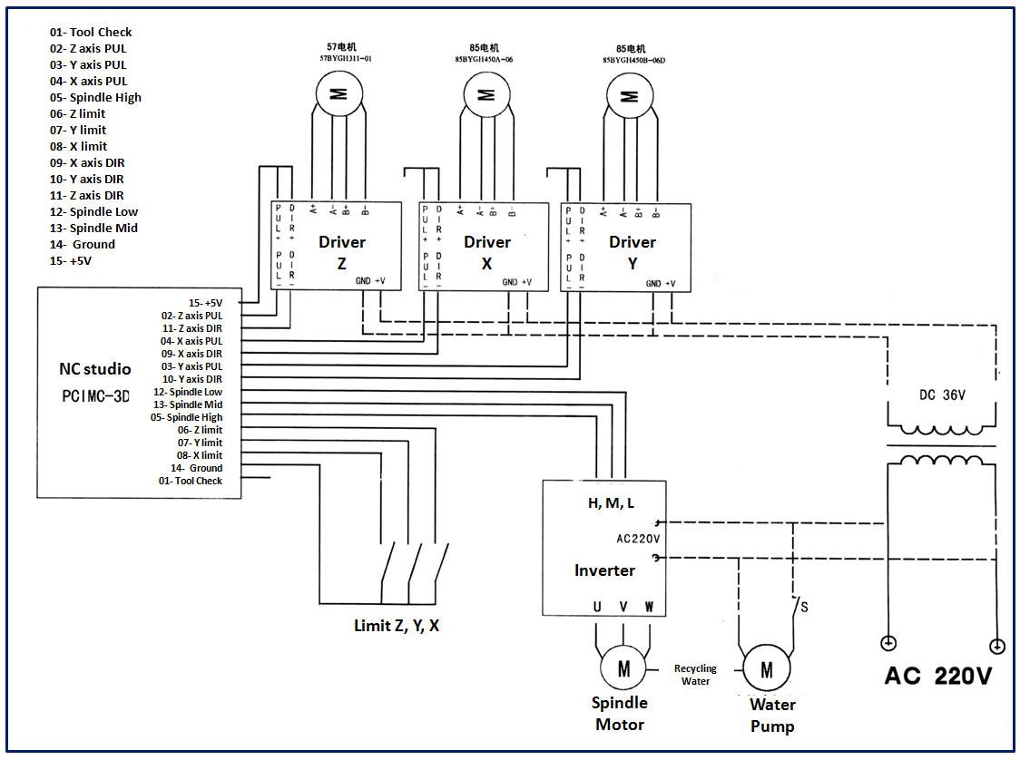
NC V5 Studio
Card NC Studio phần được sử dụng chính trong ứng dụng máy tiện CNC. NcStudio sẽ chịu trách nhiệm chính trong việc ra lệnh cho máy CNC thực hiện những công việc theo ý muốn của thợ. Nhiệm vụ chính của phần mềm này chính là mô tả những chuyển động của trục chính trên bề mặt của vật liệu để máy CNC có thể hiểu và thực hiện theo lập trình có sẵn.


Phần mềm điều khiến NcStudio kết hợp với một số phần mềm khác như JdPaint hoặc JD Soft ArtCam để giúp người cắt có thể hoàn thiện sản phẩm cắt của mình theo đúng yêu cầu của khách hàng, mang lại bề mặt cắt gần như chính xác tuyệt đối.









